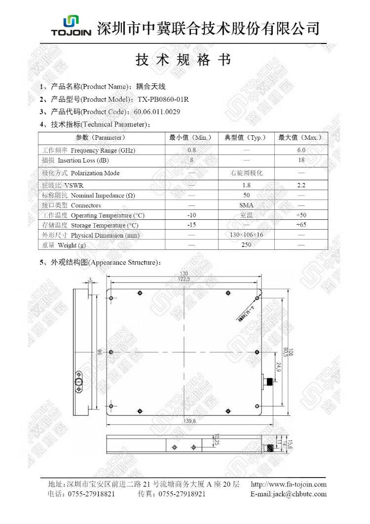
China-Hebei Joint Coupling Board TESCOM Coupling Antenna Near Field Mobile Phone Test 800-6000MHz Left-hand Right-hand SMA Antenna Coupler TX-PB0860-01L Left-hand (0.8-6GHZ)
6,848.00تومان
- Stock: In Stock
- Model: j10108214737941
Create unlimited custom product blocks and display them in accordions or tabs or open blocks. Each block can be assigned to all products at once or specific products according to advanced criteria.
Create unlimited custom product blocks and display them in accordions or tabs or open blocks. Each block can be assigned to all products at once or specific products according to advanced criteria.










